宝徽集团衬胶废酸水罐采购招标公告
宝徽集团衬胶废酸水罐采购招标公告
根据《中华人民共和国招标投标法》以及有关法律法规,遵循公开、公平、公正和诚实信用的原则,甘肃宝徽实业集团有限公司就该工业用生产物资衬胶废酸水罐采购进行国内公开招标,欢迎有资质的生产企业前来参加投标。
一、基本情况:
1.招标人:甘肃宝徽实业集团有限公司
2.招标内容:
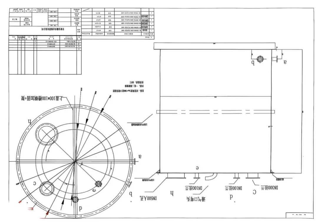
物料名称:衬胶废酸水罐
① 规格;ф3500×4000依据图纸制作,
② 数量:1台质量标准:符合国家标准
③付款方式:货到验收合格后开具发票后付清除质保金外货款。
供货周期:2025年8月30日前到货。
交货地点:甘肃徽县柳林镇宝徽锌冶公司
二、投标人资格要求:
1.投标人在法律上和财务上独立并能合法运作,具有法人地位和独立签订立合同的权力。
2.投标人具有完善的质量保证体系及其质量认证证明。
3.投标人具有良好的银行资信和商业信誉,没有处于被责令停业或破产状态,且资产未被重组、接管和冻结。
三、投标报名
1.报名时间: 2025年7月12日~7月20日,逾期不再接受投标单位的报名。
2.报名地点:宝徽锌冶公司
3.报名联系人:田亚兴
4.联系电话: 15293925119
5.传真: 7541622
6.电子信箱:292617501@qq.com
7.报名所需提交的资料至少包括:投标函、投标期间联系人和联系方式(至少包括手机、固定电话、传真、电子信箱)、法定代表人授权委托书、企业营业执照(副本)
上述资料也可发邮件至上述邮箱或邮寄至报名地点,逾期递交的资料不予接受。对于提供虚假资料的串标、围标的投标人,一经查明,取消其投标人资格。
对报价进行加密,不加密报价视为废标、投标邮件投标货物+公司名称+联系人电话。
四、发售标书时间和地点
招标人将告知投标人是否通过资格预审,对通过资格预审的投标人发售招标文件,时间和地点另行通知。
五、开标时间、地点:
开标时间:2025年7月21日9点00分(暂定) 地点:另行书面通知
附:
,1
w.0-nnwmn
W0a-maOOINO
品-
nQOING
8*naaaDOSNO
aamHDING
| 国不羊8:E | n*h-mmnro00国39arFaiy..306二B-%口理001001P001.00q | q |
| +最00I*00IT | 4OONG0ING0OOCNG |
YOOSNGp
泉口与要
p
